Over on YouTube [Usagi Electric] shows us how to make RAM for the TMS9900.
He starts by remarking that the TI-99/4A computer is an excellent place to start if you’re interested in getting into retro-computing. Particularly there are a lot of great resources online, including arcadeshopper.com and the AtariAge forums.
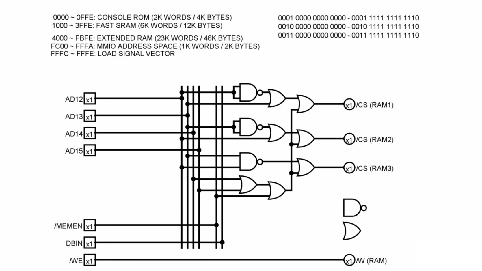
The CPU in the TI-99 is the TMS9900. As [Usagi Electric] explains in the video this CPU only has a few registers and most actual “registers” are actually locations in RAM. Because of this you can’t do much with a TMS9900 without RAM attached. So he sets about making some RAM for his homebrew TMS9900 board. He uses Mitsubishi M58725P 16 kilobit (2 kilobyte) static RAM integrated circuits; each has 11 address lines and 8 data lines, so by putting two side-by-side we get support for 16-bit words. Using six M58725Ps, in three pairs, we get 6 kilowords (12 kilobytes).
Love watching his videos. Often a bit over my head. But still fun to watch and learn a bit.



